红颜阁江苏论坛

你好呀,招待走了胡埭液壓機氣動彈簧無限平臺!

保藏本站 | 罕見題目解答 | 網站輿圖 分享到新浪微博 分享到騰訊微博

product_banner

胡埭液壓氣動產物分類

接洽胡埭液壓氣動

無錫胡埭液壓氣動無限公司
地點:無錫市胡埭鎮振胡路105-2號
接洽人:蘇炯 13814226453
德律風:0510-85599453
傳真:0510-85598310
郵箱:690591106@qq.com

首頁 ?

QGD QGY薄型氣缸系列

Loading...

QGD QGY薄型氣缸系列

    產物規格齊備,品德靠得住,價錢公道,專業出產液壓氣動元件及粉末冶金成品
    預訂電活:0510-85599453
    乙酰乙酸簡介

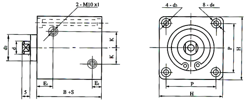
    裝置尺寸:
    缸內徑
    B
    活塞桿內羅紋
    d
    d2
    d3
    d4
    E1
    E2
    K
    H
    P
    32
    30
    M10*1
    16
    30
    5.5
    10
    18
    8
    13
    55
    43
    40
    30
    M10*1
    16
    30
    5.5
    10
    18
    8
    15
    60
    48
    50
    38
    M12*1.25
    20
    40
    6.5
    12
    20
    10
    15
    74
    60
    63
    38
    M12*1.25
    20
    40
    6.5
    12
    20
    10
    20
    85
    68
    裝置尺寸圖:

    就讓我們

      無錫胡埭液壓氣動無限公司位于風光娟秀的太湖之濱---胡埭,地輿地位優勝,交通非常便利。
      本公司是一家專業出產各類氣缸、水缸、液壓油缸、液壓泵站、氣源處置三聯件、交直流二用系列磁性開關(含磁環)及粉末冶金成品的企業。公司體系體例完整,辦文迷信,具有多臺大型裝備。公司所出產的產物,遠銷天下各地市場。公司具有的出產裝備,手藝氣力薄弱,工藝、檢測裝備齊備,售后辦事完美,一直以科技為先導,依托迷信的辦理和的運營理念,加以高品德和誠信的辦事,本品德不變靠得住.博得了客戶分歧的青昧。
      本公司遵守“品德良好,辦事至上”的主旨,盡力為用戶供給更多優良的產物和更完美的辦事,來知足泛博新老用戶的須要。咱們愿與同業業精誠協作,同時樸拙接待泛博客戶到臨指點,共創光輝!

    推銷 : QGD QGY薄型氣缸系列
    * 表現必填
    * 接洽人: 請確認您的如果身份證姓名
    * 手機號碼: 請填入您的洽談德律風
    * 電子郵件:
    * 推銷動向描寫:
    請填寫進行推銷的產物數目和產物描寫,便利咱們停止同一備貨。

    跟此產物相干的產物

    雙感化雙活塞桿氣缸系列 雙感化雙活塞桿氣缸系列
    帶開關、帶閥、組合氣缸系列 帶開關、帶閥、組合氣缸系
    JB冶金裝備用氣缸系列 JB冶金裝備用氣缸系列
    縮短

    QQ在線客服

    • 在線征詢
    • 當即訂購
    點擊埋沒